锅炉水冷壁吹损,爆管停炉案例分享
2023-05-24 科威
电厂机组抗燃油油质异常案例分享
2 号发电机中性点 CT 匝间短路案例分享
2023-05-23 科威
汽轮机 6、7瓦轴颈损伤案例分享
机组并网后励磁装置灭磁柜电阻元件烧损案例分享
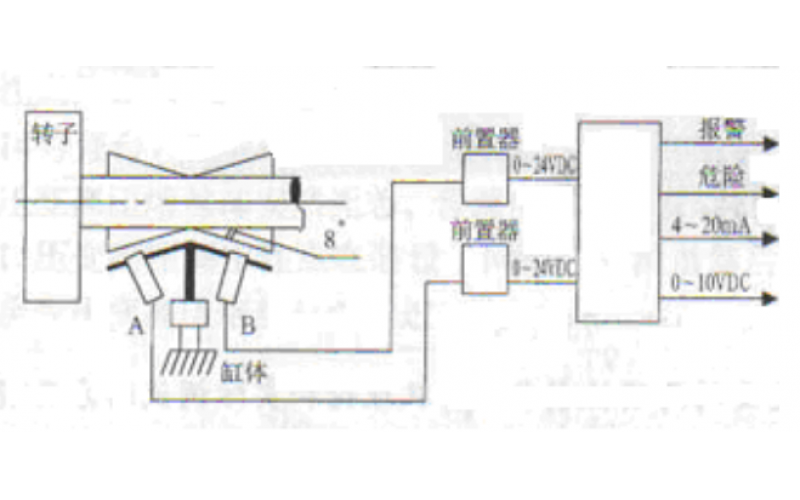
汽轮机胀差、轴位如何定零位?
2023-05-22 科威
智能变电站继电保护技术规范知识分享
智能变电站保护检验测试及现场调试知识分享